Druckluft und Bremsen

Letzte

Navigation durch das Thema

Nächste

Die für die pneumatischen Bremsen und andere Verbraucher notwendige Druckluft wurde in einem Kompressor hergestellt. Es wurde dazu ein Rotationskompressor verwendet der elektrisch von den Hilfsbetrieben der Lokomotive angetrieben wurde. Diese Lösung erlaubte die Verwendung der auf den anderen Lokomotiven vorhandenen Modelle. Daher achtete man auch hier auf eine möglichst geringe Anzahl von Baugruppen.

Im Betrieb schöpfte der Kompressor im Maschinenraum angesaugte Luft in ein Leitungssystem. Dort wurde allfällig in der Luft enthaltenes Wasser in einem Wasserabscheider abgeschöpft.

Dadurch wurde verhindert, dass zu viel Wasser in die Leitungen gelangen konnte. Jedoch musste der Wasser-abscheider in regelmässigen Abständen entleert werden, da er sonst seine Funktion nicht mehr wahrnehmen konnte.

Letztlich gelangte die so geschöpfte Luft in die Hauptluftbehälter. Dort wurde die Luft gespeichert. Da-durch stieg der Druck im Leitungssystem an und es ent-stand Druckluft.

Ein Überdruckventil beschränkte daher den maximalen Druck in der Leitung auf einen Wert von acht bar. Wobei das Ventil etwas höher eingestellt wurde.

Damit dieser Regeldruck gehalten werden konnte. Somit hatte die Maschine einen üblichen Druck erhalten.

Die Druckluft in den Hauptluftbehältern konnte mit beid-seitig vorhandenen Absperrhähnen eingeschlossen und so gespeichert werden.

Dadurch war der Vorrat von Druckluft auch über längere Zeit verfügbar. Das war eigentlich speziell, denn im Gegensatz zu den elektrischen Lokomotiven konnte man die Reihe Bm 6/6 auch ohne Druckluft in Betrieb nehmen. Daher fehlte hier auch die von den anderen Lokomotiven her bekannte Handluftpumpe.

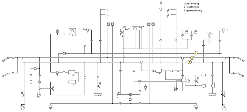
Von den Hauptluftbehältern gelangte die Druckluft in die Speiseleitung. Diese wurde mit einem Druck zwischen sechs und acht bar betrieben. An der Speiseleitung waren die meisten Verbraucher der Lokomotive und die anschliessend erklärte Apparateleitung angeschlossen worden. Jedoch stand die Speiseleitung nicht an den Stossbalken zu Verfügung, so dass es eine nur auf die Lokomotive beschränkte Leitung war.

Die Apparateleitung wurde mit einem Druck von sechs bar betrieben. Sie war für Verbraucher vorhanden, die einen gleichbleibenden Druck in der Leitung benötigten. Dazu gehörten die Trennhüpfer zu den Fahrmotoren und die Wendeschalter.

Es waren daher die Schaltelemente der elektrischen Ausrüstung. Einziges Bauteil der pneumatischen Ausrüstung, das hier angeschlossen wurde, war ein Manometer, das den Druck in dieser Leitung an-zeigte.

Damit kehren wir wieder zur Speiseleitung zurück. An dieser Leitung waren neben den Bremsên nicht viele Verbraucher angeschlossen worden.

Dazu gehörte neben der Spurkranzschmierung auch die Sandstreueinrichtung, die von der Fahrrichtung abhängig aktiviert wurde. Diese Einrichtung blies mit Hilfe der Druckluft Quarzsand, der in einem Behälter in der Lokomotivbrücke mitgeführt wurde, Sand durch eine Leitung vor die Räder.

Somit können wir die Verbraucher der Druckluft bereits wieder abschliessen und uns nun dem Hauptverbraucher der Druckluft zuwenden. Die Rede ist von den pneumatischen Bremsen der Lokomotive. Je nach Aufbau der Bremse wurde die Druckluft von der Speiseleitung direkt oder indirekt zu den Bremszylindern geführt. Somit gab es hier kaum Unterschiede zu den anderen Lokomotiven der Schweizerischen Bundesbahnen SBB.

Auf der Lokomotive wurden nicht weniger als drei Bremssysteme eingebaut. Dabei beginnen wir deren Betrachtung mit der einfachsten Version. Diese Bremse war die Schleuderbremse. Diese wirkte mit einem Druck von 0.8 bar und verhinderte so, dass die Triebachsen unkontrolliert durchdrehen konnten. Bedient wurde diese einfache Bremse mit einem Druckknopf. Dadurch erfolgte der Druckaufbau im Bremszylinder sehr schnell.

Etwas besser reguliert werden konnte die Rangierbremse der Lokomotive. Diese wirkte mit einem Bremsventil direkt auf den Bremszylinder. Dabei konnte mit dem Ventil im Brems-zylinder ein maximaler Druck von 3.5 bar erzeugt werden.

Durch die feine Regulierung dieser Bremse, wurde sie im Rangierdienst bevorzugt verwendet. Daher kam auch die Bezeichnung dieser direkten Brem-se, die nur auf die Lokomotive wirkte.

Somit kommen wir zum dritten und letzten Bremssystem der Lokomotive. Diese Bremse war als Sicherheits-bremse ausgeführt worden und sie wirkte auch auf den angehängten Zug.

 Diese als automatische Bremse be-zeichnete Bremseinrichtung stammte aus dem Hause Oerlikon Bremsen. Diese indirekte Bremse arbeitete mit einer als Hauptleitung bezeichneten Bremsleitung, die mit einem Druck von fünf bar betrieben wurde.

Die Hauptleitung der automatischen Bremse wurde zu den beiden Stossbalken geführt und stand daher auch den angehängten Wagen zur Verfügung. Dabei wurden auf jeder Seite zwei identische Luftschläuche mit den erforderlichen Absperrhahnen eingebaut. Damit bei den nicht benutzten Kupplungen kein Schmutz in die Leitung gelangen konnte, wurde die Kupplungen in speziellen an der Lokomotivbrücke befestigten Halterungen abgelegt.

Da bei der automatischen Bremse eine Bremsung durch den Druckabfall in der Hauptleitung eingeleitet wurde, konnte der Bremszylinder nicht direkt angeschlossen werden. Daher musste ein Steuerventil verwendet werden. Dieses Ventil stammte aus dem Hause Oerlikon Bremsen und war vom Typ LSt 1. Somit konnte man auch hier Bremsventile von anderen Lokomotiven verwenden, was die Vorhaltung von Ersatzteilen vereinfachte.

Dieses Steuerventil war mehrlösig und es konnte umgestellt werden. Dabei wirkte in der Regel die P-Bremse. Mit Hilfe eines Bremsumschalter konnte jedoch auch die langsamer wirkende G-Bremse eingestellt werden.

Auf den Einbau einer R-Bremse, wie sie bei anderen Baureihen verwendet wurde, verzichtet man jedoch. Das war kein Problem, da die Höchstgeschwindigkeit der Lokomotive mit 75 km/h für die R-Bremse zu gering war.

Auch bei der indirekten Bremse war ein maximaler Druck im Bremszylinder von 3.9 bar möglich. Dabei war der Wert mit der Rangierbremse identisch, so dass die Bremsgewichte der automatischen Bremse auch mit der Rangierbremse erreicht werden konnten.

Ein Wechselventil sorgte dabei dafür, dass immer die stärker wirkende Bremse auf den Bremszylinder wirkte. So war die Lokomotive optimal abgebremst worden.

Bei der Bremsrechnung wurde für die P-Bremse ein maximales Bremsgewicht von 85 Tonnen angegeben. Damit wurde ein mit 80 Prozent ansprechendes Bremsverhältnis erreicht. Bei der G-Bremse, die eine längere Ansprechzeit hatte, wurde jedoch ein Bremsgewicht von 75 Tonnen angenommen. Dadurch sank das Bremsverhältnis auf 70 Prozent. Wobei auch jetzt noch ein gutes Verhältnis erreicht wurde, so dass die Lokomotive eine gute Bremse besass.

Die mechanischen Bremsen der Lokomotive wurden in zwei Bereiche aufgeteilt, die jeweils mit der Druckluft von den Bremssystemen versorgt wurden. Dabei unterteilte man die Anlage auf die beiden Drehgestelle.

Dabei wurden die mit einer einzigen Aufnahme identisch ausgeführt. In der Folge betrachten wir die Einrichtung beim Drehgestell eins. Wo nichts Anderes erwähnt wird, gelten die Hinweise auch für das zweite Drehgestell.

An der Druckluftleitung von den Bremssystemen angeschlossen wurde schliesslich der Bremszylinder. Dieser Bremszylinder wurde durch die Druckluft ausgestossen und bewirkte so mit Hilfe des Bremsge-stänges eine Bremsung.

Wurde die Druckluft wieder aus dem Zylinder abge-lassen, sorgte eine Rückholfeder dafür, dass die Brems-klötze auch wieder von den Laufflächen gelöst wurden. Trotz der Feder, durfte man nicht von einer Feder-speicherbremse sprechen.

Das am Bremszylinder angeschlossene Bremsgestänge wandelte die Bewegung des Kolbens so um, dass die Bremsbeläge der Klotzbremse gegen die Lauffläche des Rades gepresst wurden.

Dadurch wurde die Reibung erhöht und eine Ver-zögerung des Fahrzeuges eingeleitet. Da die Brems-sohlen dabei abgenutzt wurden, musste das Bremsge-stänge an die Abnutzung derselben angepasst werden. Dazu war ein Gestängesteller vorhanden.

Es wurde ein automatischer Bremsgestängesteller der Marke Stopex verwendet. Dieser Gestängesteller stellte sich je nach Abnutzung der Bremssohlen automatisch nach. So wurde eine gleichbleibende Bremskraft erreicht und das Gestänge musste nicht mehr im Unterhalt nachgestellt werden. Um dem Stopex wieder zu lösen, war jedoch eine manuelle Handlung erforderlich. Dies war jedoch nur nötig, wenn Bremsklötze ersetzt werden mussten.

Abgebremst wurde die Lokomotive mit einer modifizierten Klotzbremse. Diese bestand pro Rad aus zwei von beiden Seiten auf die Lauffläche wirkenden Bremsklötzen. Hier kamen jedoch keine eigentlichen Bremsklötze mehr zur Anwendung. Vielmehr baute man spezielle Sohlenhalter ein, die mit zwei Bremssohlen als Verschleissteil bestückt wurden. Somit wurde jedes Rad insgesamt mit vier Bremssohlen aus Grauguss abgebremst.

Nur am Bremsgestänge des Drehgestells eins angeschlossen wurde die im Führerstand bedienbare Handbremse. Diese wirkte aus dem Führerstand heraus auf das Bremsgestänge und sie konnte auf einfache Weise arretiert werden. Daher wurde diese Handbremse auch als Feststellbremse und somit zum Sichern der Lokomotive verwendet. Damit war eine von der Druckluftbremse unabhängige Lösung auf der Lokomotive vorhanden.

Die Verbindungen zwischen der Bremskurbel und dem Bremsgestänge erfolgte über einen Kettenzug. Diese Bremse hatte jedoch den Nachteil, dass die Lokomotive ein schlechtes Handbremsgewicht erhalten hatte. Daher wurde für die Handbremse nur 15 Tonnen angegeben. Das obwohl sämtliche Bremsbeläge des Drehgestells angelegt wurden. Für die Lokomotive bedeutete das, dass lediglich ein Bremsverhältnis von 14 Prozent vorhanden war.

So reichte die Handbremse nicht aus, um die Lokomotive von der Druckluftbremse unabhängig in den steilsten Abschnitten des Netzes zu sichern. In diesen Fällen musste man zur Sicherung der Lokomotive Hemmschuhe verwenden. Damit diese sicher vorhanden waren, wurden die benötigten Hemmschuhe auf der Lokomotive mitgeführt. Damit war es möglich, die Maschine überall abzustellen, wobei in der Regel ebene Stellen benutzt wurden.

 

Letzte

Navigation durch das Thema

Nächste
Home SBB - Lokomotiven BLS - Lokomotiven Kontakt

Copyright 2019 by Bruno Lämmli Lupfig: Alle Rechte vorbehalten